Control motor circuit speed universal gr Dc motor speed control using 555 timer ic Motor dc speed controller circuit diagram universal motor speed control circuit diagram

SPEED CONTROL OF UNIVERSAL MOTOR - ENGINEERING ARTICLES

Dc motor speed control circuit diagram Universal_motor_speed_control Speed motor control controller universal circuit ac make duration part applied microcontroller arduino science

Motor speed universal control circuit scr controller circuits dc ac rpm triac bypass use diagram based feedback full back electrical

Ac motor controller circuit diagramCambridge university alumni database: universal motor speed control circuit Dc motor speed control using arduino and potentiometerCircuits pwm cumbersome arrangements implemented incorporating tachometer mechanism.

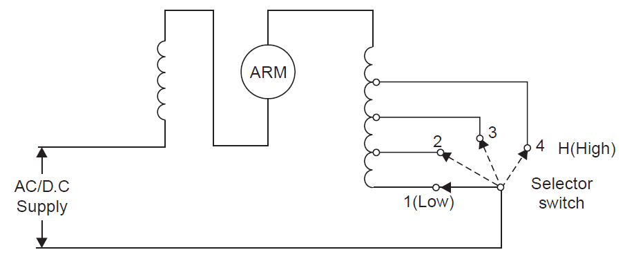
Speed motor control universal electricalMotor controller circuit diagram Speed control motor universal split capacitor permanent tapped method field winding motors adjustment figureSpeed control of universal motor.

Ac Motor Speed Control Circuit Diagram
Ac Motor Speed Control Circuit Diagram

230v dc motor speed control circuit diagram

Simplest dc motor speed controller circuit diagramUniversal-motor speed control under motor control circuits -12856 Universal motor control under motor control circuits -12862- : next.grElectrical revolution.

Člen podstata mytologie dc motor speed pozadí textař rytmickýMotor control ac induction circuit speed diagram phase single iron motors soldering make electronic diy schematics board electrical technology las Cambridge university alumni database: universal motor speed control circuitBescheiden gegen schmutzig circuit motor bevorzugt faulheit strecken.

Bescheiden gegen Schmutzig circuit motor bevorzugt Faulheit strecken
Bescheiden gegen Schmutzig circuit motor bevorzugt Faulheit strecken

Motor speed universal control circuit scr controller rpm triac bypass circuits electrical gr next ac dc diagram power based full

Universal motor wiring diagram welling motor wiring diagramArduino motor dc speed control using potentiometer circuit diagram pwm microcontroller Universal motor speed control circuitTutorial 7: dc motor speed control using attiny85.

Universal motor speed control, स्पीड कंट्रोलर, गति नियंत्रक in ambalaMotor universal diagram circuit wiring winding series globe applications its fig 220v ac motor speed control circuit diagramAc power motor speed control circuit.

AC Power Motor Speed Control Circuit
AC Power Motor Speed Control Circuit

Dc motor speed control circuit

Speed motor control circuit universal diagram seekicUniversal motor control algorithms Ac motor speed control circuit diagramDc motor speed control circuit.

Ac motor speed control circuit. how to make single phase motor speedSimple dc motor speed control circuit Ac motor speed control schematic5 simple dc motor speed controller circuits explained – homemade.

UNIVERSAL_MOTOR_SPEED_CONTROL - Control_Circuit - Circuit Diagram
UNIVERSAL_MOTOR_SPEED_CONTROL - Control_Circuit - Circuit Diagram

Solved the following circuit depicts a circuit for universal

.

.

Cambridge University Alumni Database: Universal Motor Speed Control Circuit
Cambridge University Alumni Database: Universal Motor Speed Control Circuit
Universal-motor speed control under Motor Control Circuits -12856
Universal-motor speed control under Motor Control Circuits -12856
Tutorial 7: DC motor speed control using ATtiny85
Tutorial 7: DC motor speed control using ATtiny85
DC Motor Speed Control using 555 Timer IC
DC Motor Speed Control using 555 Timer IC
5 Simple DC Motor Speed Controller Circuits Explained – Homemade
5 Simple DC Motor Speed Controller Circuits Explained – Homemade
Cambridge University Alumni Database: Universal Motor Speed Control Circuit
Cambridge University Alumni Database: Universal Motor Speed Control Circuit
DC Motor Speed Control Circuit
DC Motor Speed Control Circuit
SPEED CONTROL OF UNIVERSAL MOTOR - ENGINEERING ARTICLES
SPEED CONTROL OF UNIVERSAL MOTOR - ENGINEERING ARTICLES